◆ Model: YJY100 YJY150
◆ Gebruik: absolute druk verwijst naar de druk die hoger is dan absolute druk nul met absolute druk nul (absoluut vacuüm) als referentie. De absolute drukwaarde kan worden uitgedrukt door de volgende formule:
Absolute drukwaarde = vacuüm (negatieve druk) waarde atmosferische drukwaarde
Absolute drukmeter wordt voornamelijk gebruikt om de absolute druk in sommige vacuümapparatuur te controleren of te meten (bijv. Vacuümverpakkingsmachines, apparatuur voor het bewaken van condensatiedruk en dampdruk van vloeistof, enz.).
◆ Werkdruk: statische belasting wordt gebruikt tot 3/4 van de bovengrenswaarde van de meet, de uitwisselingsbelasting wordt gebruikt tot 2/3 van de bovengrenswaarde van de meet en korte tijdsdruk wordt gebruikt tot de bovengrenswaarde van de meet.
◆ Technische parameters :
| modelnummer | YJY100 | YJY150 | |
| Nominale diameter | Φ 100 | Φ 150 | |
| Installatieformulier | Ⅰ | * | * |
| Ⅱ | * | * | |
| Ⅳ | * | * | |
| Ⅵ | * | * | |
| Connectordraad | M20 × 1.5 | ||
| Nauwkeurigheidsklasse | 0.4 ; 1.0 ; 1.6 ; 2.5 | ||
| Meetbereik ( MPA ) | 0 ~ 0.1 0 ~ 0.16 0 ~ 0,25 0 ~ 0.4 0 ~ 0.6 0 ~ 1 0 ~ 1.6 0 ~ 2.5 0 ~ 4 0 ~ 6 0 ~ 10 | ||
| Omgevingsomstandigheden van gebruik | TEMP: -40 ℃~ 70 ℃( Nauwkeurigheidsklasse: 0.4 ) -50 ℃~ 160 ℃( Nauwkeurigheidsklasse: 1.0 ~ 2.5 ) relatieve vochtigheid : ≦ 80 % | ||
| trillingsbeoordeling | V · H · 2 ; V · H · 3 | ||
| Beschermingsklasse | IP65 | ||
| Implementatienormen | | ||
| OPMERKING: 1. Gezamenlijke threads kunnen worden aangepast volgens de vereisten van de gebruikers. | |||
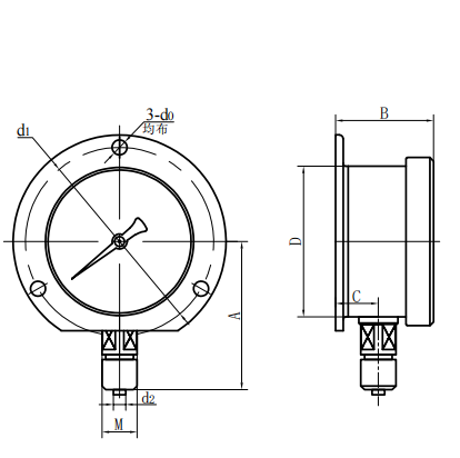
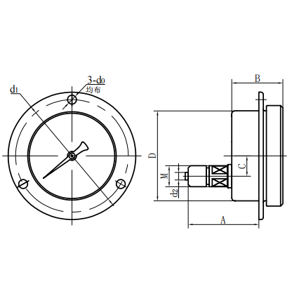
◆ Externe afmetingen:
|
Radiaal direct type (ⅰ) | Axiaal excentriek direct type (ⅱ ⅱ ⅱ ⅱ) |
| Axiaal concentrisch direct type (iii) | Axiaal excentrische inserttype (iv) |
| modelnummer | Algemene afmetingen ( mm ) | |||||||
| A | B | C | D | D0 | D1 | D2 | M | |
| YJY100 -Ⅰ | 90 | 48 | 15 | Φ 100 | / | / | Φ 6 | M20 × 1.5 |
| YJY100 -Ⅱ | 83 | 44 | 34 | Φ 100 | / | / | Φ 6 | M20 × 1.5 |
| YJY100 -Ⅳ | 68 | 44 | 34 | Φ 100 | Φ 6 | Φ 118 | Φ 6 | M20 × 1.5 |
| YJY100 -Ⅵ | 90 | 48 | 15 | Φ 100 | Φ 6 | Φ 118 | Φ 6 | M20 × 1.5 |
| YJY150 -Ⅰ | 117 | 51 | 16.5 | Φ 150 | / | / | Φ 6 | M20 × 1.5 |
| YJY150 -Ⅱ | 92 | 52 | 55 | Φ 150 | / | / | Φ 6 | M20 × 1.5 |
| YJY150 -Ⅳ | 69 | 52 | 55 | Φ 150 | Φ 6 | Φ 165 | Φ 6 | M20 × 1.5 |
| YJY150 -Ⅵ | 117 | 53 | 28 | Φ 150 | Φ 6 | Φ 165 | Φ 6 | M20 × 1.5 |
























