◆ Model: y¨-ml y¨-mf y¨-mg y¨-mz y¨-mk y¨-mn y¨-ms
◆ Toepassing: vanwege de indirecte meetstructuur is de membraanmeter geschikt voor het meten van de druk van vloeistoffen, gassen of korrelige stromende vaste stoffen met hoge viscositeit, gemakkelijk te kristalliseren, sterke corrosie en hoge temperatuur. Het isolatiemembraan heeft een verscheidenheid aan materialen om zich aan te passen aan een verscheidenheid aan verschillende corrosieve media.
Deze instrumenten worden voornamelijk gebruikt in chemische vezels, synthetische vezels, aardolie, verven, alkali, zuur, voedsel, medicijn, constructie, mijnbouw, smelten en andere industrieën.
De meter kop van dit type instrument kan in verschillende series worden gebruikt: algemene drukmeter, schokbestendige drukmeter, een verscheidenheid aan elektrische contactpersermeter, een verscheidenheid aan schokbestendige elektrische contactpersoon, drukzender, externe manometer, digitale drukmeter, drukcontroller, en dus op.
◆ Structuurprincipe:
Dit instrument is indirecte meting. Isolatie diafragma -vervorming onder de druk van het gemeten medium, de afdichtingsvloeistof wordt onder druk gezet en de druk wordt doorgebracht naar de druk.
De afdichtingsvloeistof wordt onder druk gezet en de druk wordt uitgevoerd naar het detectieinstrument, dat de waarde van de gemeten gemiddelde druk toont.
◆ Technische parameters :
| Meter hoofdmodel | Verschillende soorten drukinstrumenten, druktransmitters, drukregelaars, enz. | |||
| Nauwkeurigheidsklasse | 1.6 ; 2.5 | |||
| Nauwkeurigheidsklasse ( MPA ) | 0 ~ 0.1 0 ~ 0.16 0 ~ 0,25 0 ~ 0.4 0 ~ 0.6 0 ~ 1 0 ~ 1.6 0 ~ 2.5 0 ~ 4 0 ~ 6 0 ~ 10 0 ~ 16 0 ~ 25 0 ~ 40 | |||
| Diafragma -materiaal | bijnamen | Materiaal | bijnamen | Materiaal |
| 1 | 0CR18NI12MO2 | 5 | Hastelloy C (H276C) | |
| 2 | SUS304 | 6 | Monel Alloy (Cu30NI70) | |
| 3 | SUS316 | 7 | Tantalum (ta) | |
| 4 | SUS316L | 8 | Fluoroplastisch (ptfe) | |
| Isolatormateriaal | 1cr18ni9; 304; 316; 316L; F4; PVC, etc. | |||
| Het afdichten van pakkingmateriaal | NBR; Medisch siliconenrubber; PTFE; Grafiet; Fluoroelastomeer; enz. | |||
| Vulgeleiding vloeistof | Methylsiliconenolie, plantaardige olie, glycerine, gefluoreerde olie, etc. | |||
| temperatuureffect | Omdat de thermische expansie van de geleidende vloeistof en de stijfheid van het diafragma gerelateerd zijn aan de temperatuur, is de foutwaarde 0,1%/° C wanneer de bedrijfstemperatuur afwijkt van 20 ± 5 ° C. | |||
| corrosiebescherming | Deze uitvoering omvat de corrosiekarakteristieken van de omgeving en het meetmedium, en het materiaal van de isolator, het diafragmplaat en de afdichtingsring kunnen worden geselecteerd op basis van de gebruiksvoorwaarden. | |||
| niveau verschil | Slang verbonden diafragma -manometer in de installatie Als het meetpunt en de drukmeter zich op verschillende hoogtes bevinden, is het verschil in vloeistofniveau gegenereerd door het drukverschil △ p de gemeten waarde van het instrument, de formule is: △ P = specifieke zwaartekracht van de afdichtingsvloeistof × vloeistofniveau verschil. | |||
| Implementatienormen | JB/T 8624 | |||
| OPMERKING: 1, de connectorthread kan worden aangepast volgens de vereisten van de gebruikers; 2 、 Connecting Flens kan worden aangepast volgens de flensstandaard van de gebruikersvereisten. | ||||
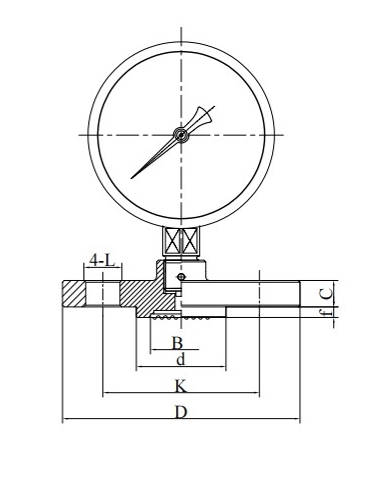
◆ Isolatortype Grootte en installatieschema:
| (Ml) interface met schroefdraad | (Mf) Open Face Flens |
























