◆ Model: YN40 YN50 YN60 YN75 YN100 YN150
◆ Gebruik: deze reeks instrumenten heeft een goede schokweerstand, vooral geschikt voor plaatsen met een sterke vibratie van milieumachines, en kan bestand zijn tegen gewelddadige pulsatie, shock en plotseling lossen van gemiddelde druk. Het is geschikt voor het meten van de druk van vloeistof, gas of stoom die geen gevaar voor explosie heeft, niet kristalliseert, stolt niet en heeft geen corrosief effect op koper- en koperenlegering. Het instrument geeft stabiele en duidelijke metingen aan. Het wordt veel gebruikt in zware machines, mijnbouw, aardolie, chemische industrie, metallurgie, elektrische stroom en andere afdelingen.
◆ In praktische toepassing, volgens de speciale kenmerken van verschillende media (zoals olieverbod, brandwerende, corrosiebestendige, enz.) Zijn de vereisten van het instrument verschillend, dus deze reeks instrumenten leiden veel overeenkomstige speciale instrumenten af, hun nominale diameter, installatietype, connector-thread, nauwkeurigheidsniveau, meetbereik, etc.
2.1 Geschikt voor het meten van de druk van ontvlambare en explosieve media. Het is ten strengste verboden om contact te maken met vettige brandbare stoffen. De ontvangstbehandeling wordt gemaakt voordat de fabriek wordt verlaten en getest om vrij van vet te zijn.
2.1.1 Yon-serie schokbestendige (seismische) zuurstofstructmeter
2.1.2 YHN-serie schokbestendige (seismische) waterstofstructuur
2.1.3 YYN-serie van schokbestendige (shock) acetyleeneuze maatregel
2.2 De gebruikte materialen zijn bestand tegen corrosie van het medium of het instrument heeft geen effect op het medium en om ervoor te zorgen dat de detectie -elementen en interfaces schoon zijn en vrij van vet zijn.
2.2.1 Yan-serie van schokbestendige (schok) ammoniakmeter
2.2.2 YDQN-serie van schokbestendige (schok) stikstofstructuur
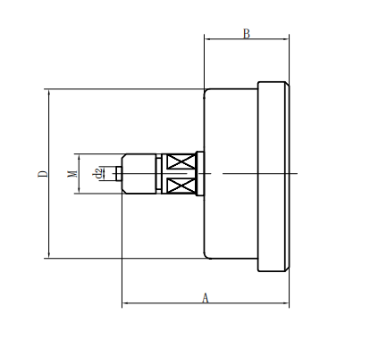
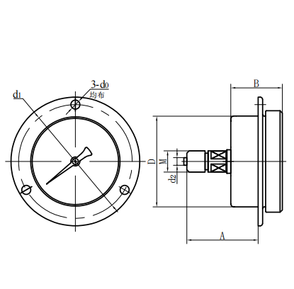
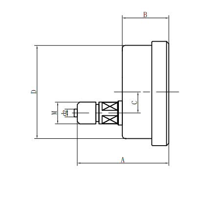
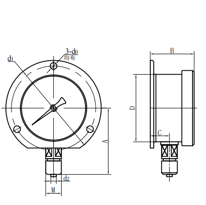
YN-serie schokbestendige drukmeter
Model: 40 mm (1,5 "), 50 mm (2"), 60 mm (2,5 "), 100 mm (4"), 150 mm (6 ")
Invoering:
De reeks instrumenten hebben een uitstekende schokweerstand, stabiele indicatie, duidelijke metingen en zijn met name geschikt voor gebruik op plaatsen met intense mechanische trillingen. Ze kunnen ook bestand zijn tegen drastische pulsaties, effecten en plotselinge belastingreducties van het medium. Het is schok-absorberend mechanisme en vloeistofgevuld ontwerp (typisch glycerine en siliconenolie) maken deze drukmeter in staat om een betrouwbare en precieze drukmeting te garanderen, zelfs onder complexe en ongunstige omstandigheden. Vanwege zijn elasticiteit en nauwkeurigheid wordt het veel gebruikt in verschillende industrieën.



















































































































