◆ Model: ye60 ye100 ye150
◆ Gebruik: Membraanbox Meter wordt ook wel microdeuze maat genoemd. Het is geschikt voor het meten van de lage micro-druk van gassen of dampen zonder explosie gevaar, niet-kristallisatie, niet-condensatie en niet-corrosief effect op koper en koperlegering.
◆ Technische parameters :
| Modelnummer | Ye60 | Ye100 | Ye150 | |
| Nominale diameter | Φ 60 | Φ 100 | Φ 150 | |
| Montagetype | Ⅰ | * | * | * |
| Ⅱ | / | * | * | |
| Ⅲ | * | / | / | |
| Ⅳ | / | * | * | |
| Ⅴ | * | / | / | |
| Connectordraad | M14 × 1.5 | M20 × 1.5 | ||
| Nauwkeurigheidsklasse | 1.6 ; 2.5 | |||
| Meetbereik ( kpa ) | -40 ~ 0 -25 ~ 0 -16 ~ 0 -10 ~ 0 -6 ~ 0 -4 ~ 0 0 ~ 4 0 ~ 6 0 ~ 10 0 ~ 16 0 ~ 25 0 ~ 40 -2 ~ 2 -3 ~ 3 -5 ~ 5 -8 ~ 8 -12 ~ 12 -20 ~ 20 | |||
| Omgevingsomstandigheden van gebruik | Temperatuur : -25 ℃~ 55 ℃; Relatieve vochtigheid : ≤ 80 % | |||
| Trillingsbeoordeling | V · H · 2 | |||
| Membraanbox -materiaal | QSN4-0.3 | |||
| Beschermingsklasse | IP54 | |||
| Implementatienormen | JB/T 9274 | |||
| OPMERKING: 1. Gezamenlijke threads kunnen worden aangepast volgens de vereisten van de gebruikers. | ||||
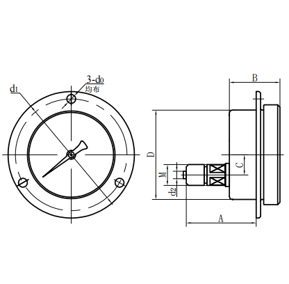
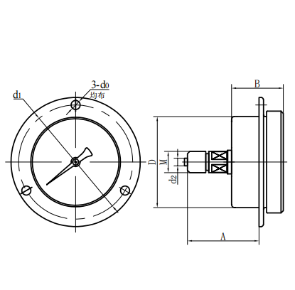
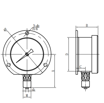
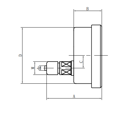
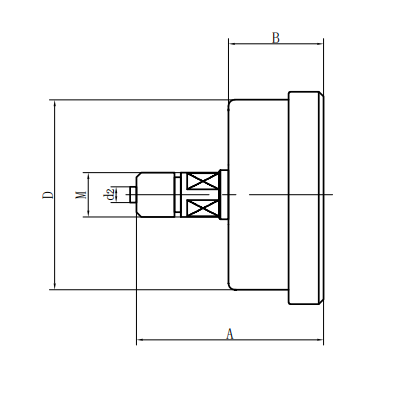
◆ Externe afmetingen:
| Radiaal direct type (ⅰ) | Axiaal excentriek direct type (ⅱ ⅱ ⅱ ⅱ) |
| Axiaal concentrisch direct type (iii) | Axiaal excentriek inserttype (iv) |
| Axiaal concentrisch invoegtype (V) | Radiaal convex type (vi) |
| Modelnummer | Algemene afmetingen ( mm ) | ||||||
| A | B | C | D | E | D2 | M | |
| Ye60 -Ⅰ | 58 | 35 | 11 | φ 60 | 5 | φ 4 | M10 × 1 |
| Ye60 -Ⅲ | 58 | 35 | / | φ 60 | 5 | φ 4 | M10 × 1 |
| | | | | | | | |
| Ye100 -Ⅰ | 93 | 50 | 16.5 | Φ 100 | 16.5 | φ 6 | M20 × 1.5 |
| Ye100 -Ⅲ | 85 | 50 | / | Φ 100 | 16.5 | φ 6 | M20 × 1.5 |
| | | | | | | | |
| Ye150 -Ⅰ | 118 | 53 | 18.5 | φ 150 | 19 | φ 6 | M20 × 1.5 |
| Ye150 -Ⅲ | 96 | 53 | / | φ 150 | 19 | φ 6 | M20 × 1.5 |
| | | | | | | | |


















