◆ Technische parameters:
| Model | CYB100 | CYB150 |
| Nominaale diameter | Φ 100 | Φ 150 |
| Montagetype | Radiale convex gemonteerd Parallelle interfaces | * | * |
| Radiale convex gemonteerd Acht tekens interface | / | * |
| Excentriek excentriek spoeltype | / | * |
| Meetbereik | Differentiële druk Meetbereik Kpa | Nominaal Werkdruk Kpa | Differentiële druk Meetbereik MPA | Nominal Werkdruk MPA |
| 0 ~ 10 | 60 | 0 ~ 0.16 | 1 |
| 0 ~ 16 | 100 | 0 ~ 0.25 | 1.6 |
| 0 ~ 25 | 160 | 0 ~ 0.4 | 2.5 |
| 0 ~ 40 | 250 | 0 ~ 0.6 | 4 |
| 0 ~ 60 | 400 | 0 ~ 1 | 6 |
| 0 ~ 100 | 600 | 0 ~ 1.6 | 10 |
| | | 0 ~ 2.5 | 10 |
| Nauwkeurigheidsklasse | 2.5 |
| Passende draden | M20 × 1.5 |
| Gebruik de omgevingstemperatuur | -40 ℃~ 70 ℃ |
| De temperatuur van het te gebruiken medium | ≤ 60 ℃ |
| Trillingsweerstandsbeoordeling | V · H · 3 |
| Behuizing | IP54 |
| gewicht | Ongeveer 1,0 kg |
| Materiaal van het impulssysteem | 0CR17NI12MO2 、 SUS316 |
| behuizing en andere materialen | 1cr18ni9 、 SUS304 |
| De standaard afdwingen | JB/T 12015-2014 |
| Opmerking: 1 . De gezamenlijke thread kan worden aangepast aan de vereisten van de gebruikers. |
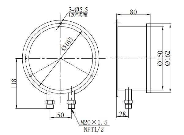
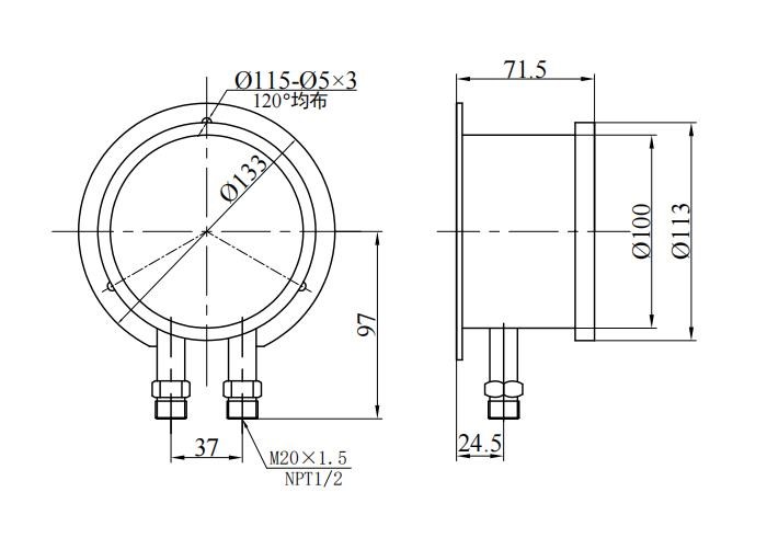
◆ Uiterlijk en installatiegrootte:
| CYB100 Parallelle interface | CYB150 Parallelle interface |
| CYB150 Bazi -interface | CYB150 axiale excentriciteit |
◆ Structureel principe:
Het instrument neemt een dubbele Bourdon -buisstructuur aan,, dat wil zeggen, twee Bourdon -buizen worden geïnstalleerd in symmetrische posities aan beide zijden van de "I" -beugel. De bovenste en onderste delen van de "I" beugel zijn respectievelijk het beweegbare einde en het vaste uiteinde, en het midden wordt aangesloten door een veerstuk: de twee Bourdon -buizen bevinden zich in een parallelle toestEn en zijn verbonden met de high en low spanningsverbindingen met de kader met de kader met de koeling door de klavaart: de koelmarkt door de kuilmaat is direct gefixeerd op het versnellingsbakmechanisme.
◆ Werktingsprincipe: op basis van het drukgevoelelement worden twee Bourdon -buizen met dezelfde stijfheid gebruikt, dus ze worden gedwongen om dezelfde geconcentreerde kracht te produceren onder hetzelfde gemeten medium om respectievelijk op de beweegbare bracket te werken, omdat de twee zijden van het veerbladen niet te wijten zijn aan de werking van het gelijke moment onder de werking van de werking van de werking van de werking van het eventuele werking van het gelijktijdige moment is het nog steeds in de handel in de werking van de werking van de werking van de werking van het eventuele werking van de werking van het gelijktijdige moment. nul positie.
Wanneer verschillende drukken worden uitgeoefend (in het algemeen is het hogedrukuiteinde hoger dan het uiteinde van de lage druk) , is de kracht van de twee Bourdon-buizen die op de beweegbare ondersteuning werken niet gelijk, zodat de overeenkomstige verplaatsing respectievelijk wordt gegenereerd en wordt het versnellingsbedrijf mechanisme aangedreven en versterkt, en de differentiële drukwaarde tussen de twee wordt aangegeven.
◆ Voorzorgsmaatregelen:
1. De Instrument moet verticaal worden geïnstalleerd op een positie die op hetzelfde niveau is als het meetpunt, anders moet rekening worden gehouden met de extra fout die wordt veroorzaakt door het verschil op vloeistofniveau.
2 . De instrumentconnector gemarkeerd met " H " of " "is het hoogspanningsuiteinde en het moment dat wordt gemarkeerd met" L " of " - "Is het laagspanningsuiteinde, dat niet kan worden omgekeerd tijdens de installatie.
3 . Wanneer het instrument de differentiële druk meet, kan de differentiële drukwaarde worden gebruikt binnen 75% van de bovengrens van het schaalbereik, en de maximale statische drukwaarde van het systeem mag de maximale statische drukwaarde die is gespecificeerd door het instrument niet overschrijden.
4. Zoals getoond in figuur 4 , The Balance (Safety) Klep (klep 1 ) moet worden ingesteld voor de ingangspoorten met hoge en lage druk van het instrument tijdens de installatie, en moet zich in de open positie bevinden, en de balans moet worden gesloten na de klep 2 and Klep 3 worden allemaal geopend.
5 . Voor gebruik moet het instrument de mate van erosie veroorzaakt door het gemeten medium zorgvuldig verifiëren, om geen vroege corrosiebeschadiging aan de Bourdon -buis te veroorzaken.
◆ BESTELLINGEN:
Bij het bestellen van het instrument moet de gebruiker aangeven:
1. Model en naam, differentiaaldrukbereik, maximale statische druk, meeteenheid, nauwkeurigheidsniveau;
2. Past- en Bourdon -buismateriaal;
3. Joint Thread Grootte: conventioneel M20 × 1.5 , NPT1/2 (of de aanwijzing van de klant);
4. Opmerking: drie klepgroepen kunnen worden aangepast namens gebruikers (kleppen 1 ~ 3 in figuur 4 )