◆ Model: YJ150 YJ150A
◆ Gebruik: deze reeks instrumenten wordt voornamelijk gebruikt om industriële of civiel gewone drukmeters te kalibreren. Het kan ook worden gebruikt om de druk van niet-corrosieve, niet-kristalliserende en niet-consoliderende media zoals koperlegering en structureel staal op de proceslocatie nauwkeurig te meten.
Deze reeks instrumenten in de schaallijn onder de instelling van de spiegelring, in gebruik, kan de leesfout tot een minimum maken. Een type met nul apparaat, in het gebruik van gebruik, als u merkt dat de pointer niet terugkeert naar nul, kan in afwezigheid van mediapruk worden verfijnde pointer, zodat deze terugkeert naar nero.
◆ Technische parameters :
| modelnummer | YJ150 | YJ150A | |
| Nominale diameter | Φ 150 | ||
| Installatieformulier | Ⅰ | * | * |
| Ⅳ | * | * | |
| Connectordraad | M20 × 1.5 | ||
| Nauwkeurigheidsklasse | 0.4 | ||
| Meetbereik ( MPA ) | Vacant: -0.1 ~ 0 Drukvacuüm: -0.1 ~ 0,06 -0,1 ~ 0,15 -0,1 ~ 0,3 -0,1 ~ 0,5 -0,1 ~ 0.9 -0.1 ~ 1.5 -0.1 ~ 2.4 Druk: 0 ~ 0.1 0 ~ 0.16 0 ~ 0,25 0 ~ 0.4 0 ~ 0.6 0 ~ 1 0 ~ 1.6 0 ~ 2.5 0 ~ 4 0 ~ 6 0 ~ 10 0 ~ 16 0 ~ 25 0 ~ 40 0 ~ 60 0 ~ 100 | ||
| Omgevingsomstandigheden van gebruik | TEMP: 20 ℃ ± 3 ℃ | ||
| trillingsbeoordeling | V · H · 2 | ||
| Beschermingsklasse | IP54 | ||
| Implementatienormen | GB/T 1227 | ||
| OPMERKING: 1. Gezamenlijke threads kunnen worden aangepast volgens de vereisten van de gebruikers. | |||
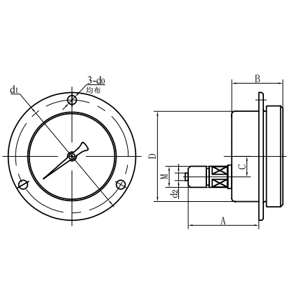
◆ Externe afmetingen:
| Radiaal direct type (ⅰ) | Axiaal excentriek direct type (ⅱ) |
| modelnummer | Algemene afmetingen ( mm ) | |||||||
| A | B | C | D | D0 | D1 | D2 | M | |
| YJ150- Ⅰ YJ150A- Ⅰ | 113 | 51 | 21 | Φ 150 | / | / | Φ 6 | M20 × 1.5 |
| YJ150- Ⅳ YJ150A- Ⅳ | 79 | 51 | 55 | Φ 150 | Φ 6 | Φ 165 | Φ 6 | M20 × 1.5 |


















